Best Of The Best Tips About How To Build A Reed Switch Motor

Reed switch also called reed relay, is a low current magnetic switch with a concealed pair of contacts that close and open in response to magnetic field near it.
How to build a reed switch motor. This process continues until the power source is disconnected or depleted, or the reed switch is moved out of working range. You need the following components to build this simple circuit: Led (any color) you can easily get a.
Brushless reed switch motor step 1: When magnet #2 gets close to the reed switch the two contacts inside the glass tube get magnetized and touch each other. This above circuit built on a breadboard is shown below.
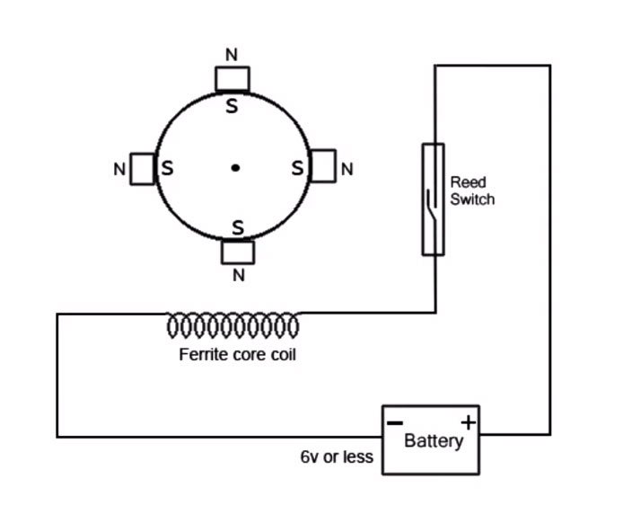
This is how the reed switch motor works: This electronics science project involves building a simple motor that uses a reed switch, and testing how the voltage affects the motor's speed. How to build a reed switch circuit.
The reed switch circuit we will build is shown below.